電壓繼電器生產廠家介紹-上海上繼科技有限公司
發表時間:2019-07-08 16:42 瀏覽次數:1019 〖返回〗
上海上繼科技有限公司是一家專業從事電力系統繼電保護及智能電網電力自動化產品的研發、設計、生產、銷售和服務為一體的高科技公司。
公司依托國際大都市上海的優越環境,擁有資深繼電保護專家團隊,熟悉中國電網實際運行特點,聯合國內外**高校不斷引進國內外先進技術,積極響應市場的需求,技術不斷創新,堅持行業**地位,主要生產電力繼電器及微機綜合保護裝置,電力智能配電設備,變電站自動化監控系統。產品廣泛用于電力、工礦、鐵路、建筑等國家重大工程輸配變電系統上,產品遠銷東南亞及中東地區。
公司具備國內**的檢測儀器及校驗設備,建立了模擬運行老化系統,以精湛的技術嚴格的生產制造工藝,健全的生產管理體系,精耕細作,精益求精。產品通過國家繼電保護及自動化設備質量監督檢驗中心檢測,獲得ISO-9001:2000國際質量體系認證。
“科技創新,誠信務實”是公司的經營理念,上繼科技以售前技術支持,售后完善服務,在電力系統中樹立了良好的聲譽,深受各大設計院的認可,贏得輸配電成套企業的信賴。上繼科技本著對社會,對用戶高度的責任感,堅持走專業化道路,繼續創新超越,為我國智能電網電力自動化做出更大的貢獻!

JY-1B/1電壓繼電器是靜態型,瞬動、交流電壓繼電器。可用于發電機、變壓器和輸電線的繼電保護裝置中,作為過電壓保護或低電壓閉鎖的動作元件。該繼電器由集成電路構成執行回路,具有靈敏度高,動作時間快,功耗小、整定方便等特點,繼電器的直流電源和出口繼電器有信號指示燈監視,繼電器有2付大容量的轉換接點輸出,用戶可根據具體情況直接控制被保護設備(JY-1A例外)。繼電器動作值由面板上的撥碼開關進行整定,直觀方便。
一、JY-1B/1電壓繼電器的參數
1.額定值
a) 額定交流電壓: 100V, 400V;
b) 頻率: 50Hz; c) 額定輔助直流電壓:48V, 110V, 220V。
2.整定范圍:1 ~240V; 40 ~ 440V。
3.動作時間
a) 過電壓-1.2倍整定值時: 動作時間不大于50ms;
b) 低電壓-0.8倍整定值時: 動作時間不大于50ms。
4.返回時間
a) 過電壓-電壓瞬時變化從1.2倍整定值至零時不大于50ms;
b) 低電壓-電壓瞬時變化從0.8倍至1.2倍整定值時不大于50ms。
5.動作一致性:不大于1%。
6.定值誤差:不大于±5%。
7.返回系數:過電壓不小于0.9,低電壓不大于1.1。
8.功耗
交流功耗:額定電壓時,不大于1VA。
直流功耗:在額定輔助直流電壓下,繼電器動作前功耗不大于3W,動作后功耗不大于6W。
9.觸點功能 當時間常數為5ms的電感性負載時,繼電器觸點斷開容量為交流電壓250V時,電流不大于2A,直流電壓為24V時,電流不大于5A。(JY- 1A: 在時間常數為40ms的直流有感電路中,電壓不大于250V,電流不大于1A,觸點斷開容量為30W)。
10.工作條件
a) 大氣壓為80kPa-106kPa;
b) 環境溫度-10℃-+50℃;
c) 空氣相對濕度不高于90%(月平均**溫度20℃);
d) 使用地方不允許有較強的外磁感應強度;
e) 使用地方不允許有導電塵埃與破壞金屬和絕緣的腐蝕性氣體;
f) 使用地方不允許有爆炸危險及充滿塵埃的介質;
g) 使用地方不允許有較嚴重的霉菌存在;
h) 使用地方不允許有較強的振動與沖擊;
i) 使用地方應當有防雨、雪、風沙裝置及沒有充滿水蒸汽。
11.絕緣電阻繼電器外殼與各端子間,以及電氣上無聯系的各電路之間的絕緣電阻不小于300MΩ。
12.介質強度繼電器外殼與各端子間,以及電氣上無聯系的各電路之間的絕緣強度,應能承受2kV,50Hz交流電壓,歷時1min無閃絡 與擊穿現象。同組接點間應能承受1kV,50Hz交流電壓,歷時1min無閃絡與擊穿現象。
13.抗干擾性能 符合GB7261和GB6261《靜態繼電器及保護裝置的電氣干擾試驗》。
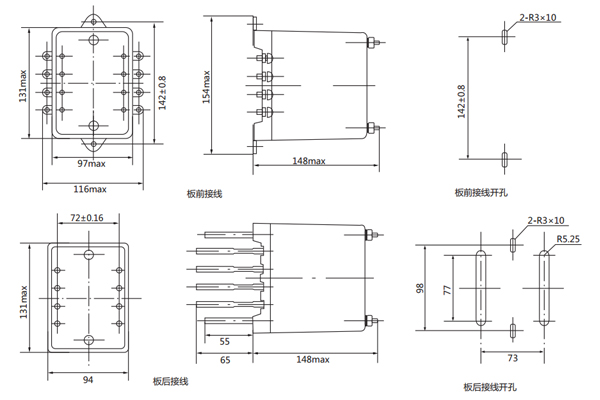
二、JY-1B/1電壓繼電器的接線圖

三、JY-1B/1電壓繼電器的開孔尺寸


DJ-131/60CN電壓繼電器為電磁式瞬動電壓繼電器。廣泛用于電力系統二次回路保護線中,作為低電壓和過電壓保護的啟動元件。
一、DJ-131/60CN電壓繼電器的接線圖

二、DJ-131/60CN電壓繼電器的開孔尺寸

三、DJ-131/60CN電壓繼電器的參數
1.動作時間:過電壓繼電器在1.1倍實測動作值時,動作時間不大于0.12s;低電壓繼電器在0.5倍實測動作值時,動作時間不大于0.15s;
2.觸點容量:在電壓不超過250V,電流不超過5A,時間常數為5 ±0.75ms的直流有感負荷電路中,產品輸出觸點的斷開容量為50W。輸 出觸點在上述規定的負荷條件下,產品能可靠動作及返回5×104次。輸出觸點長期允許接通電流為5A。
3.介質強度:產品各導電端子連在一起,對外露的非帶電金屬部分或外殼之間,能承受2000V(有效值)50Hz交流電壓歷時1分鐘試驗而 無絕緣擊穿或閃絡現象。
4.整定范圍:15~60
5.返回系數:不小于0.8
6.功率消耗:不大于1.25
7.長期允許電壓:
線圈串聯:220V
線圈并聯:110V
上海上繼科技有限公司(專注電力保護繼電器生產廠家)銷售熱線:021-57233089 QQ:1932551438
{以上內容僅供參考,上海上繼科技有限公司有最終解釋權}
更多繼電器精彩文章——JX-4B閃光繼電器參數及開孔尺寸
- 上一篇:單相數顯交流頻率表廠家簡介
- 下一篇:單相數顯交流頻率表廠家推薦





