絕緣監視繼電器廠家-上海上繼科技有限公司
發表時間:2019-07-19 13:39 瀏覽次數:1087 〖返回〗
上海上繼科技有限公司是一家專業從事電力系統繼電保護及智能電網電力自動化產品的研發、設計、生產、銷售和服務為一體的高科技公司。
公司依托國際大都市上海的優越環境,擁有資深繼電保護專家團隊,熟悉中國電網實際運行特點,聯合國內外**高校不斷引進國內外先進技術,積極響應市場的需求,技術不斷創新,堅持行業**地位,主要生產電力繼電器及微機綜合保護裝置,電力智能配電設備,變電站自動化監控系統。產品廣泛用于電力、工礦、鐵路、建筑等國家重大工程輸配變電系統上,產品遠銷東南亞及中東地區。
公司具備國內**的檢測儀器及校驗設備,建立了模擬運行老化系統,以精湛的技術嚴格的生產制造工藝,健全的生產管理體系,精耕細作,精益求精。產品通過國家繼電保護及自動化設備質量監督檢驗中心檢測,獲得ISO-9001:2000國際質量體系認證。
“科技創新,誠信務實”是公司的經營理念,上繼科技以售前技術支持,售后完善服務,在電力系統中樹立了良好的聲譽,深受各大設計院的認可,贏得輸配電成套企業的信賴。上繼科技本著對社會,對用戶高度的責任感,堅持走專業化道路,繼續創新超越,為我國智能電網電力自動化做出更大的貢獻!

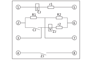
ZJJ-1A直流絕緣監視繼電器是監視直流母線絕緣情況的一種繼電器。適用于監視低壓直流母線絕緣情況。當母線對地絕線降低到一定值時,繼電器可預發警告信號。
一、ZJJ-1A絕緣監視繼電器的技術參數
電壓等級和電流值: 220V15mA、220V2.2mA、110V3.1mA、48V6.3mA。
繼電器的平衡電阻和靈敏元件電阻值

繼電器動作值:當母線任何一側對地絕緣電阻下降到下表規定值時.繼電器應可靠動作。

功率消耗:不大于4.5W。
二、ZJJ-1A絕緣監視繼電器的接線圖

三、ZJJ-1A絕緣監視繼電器的開孔尺寸


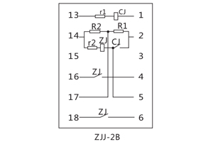
ZJJ-2B直流絕緣監視繼電器是監視直流母線絕緣情況的一種繼電器,并適用于監視低壓直流母線絕緣情況。當母線對地絕緣降低到一定值時,繼電器可預發警告信號。
一、ZJJ-2B直流絕緣監視繼電器的技術參數
電壓等級和電流值: 220V、1.5mA; 110V、3.1mA;48V、6.3mA。
繼電器動作值:當母線任何一側對地絕緣電阻下降到下表值時,繼電器應靠動作。

觸點容量:在電壓不大于250V,電流不大于2A的直流有感負荷電路中(時間常數不大于5±0.75ms) ,斷開容量不大于50W。
觸點壽命:繼電器輸出接點在上條規定的負荷條件下,產品能可靠動作及返回104次。
功率消耗:不大于7.5W。
二、ZJJ-2B直流絕緣監視繼電器的接線圖

三、ZJJ-2B直流絕緣監視繼電器的開孔尺寸

上海上繼科技有限公司(專注電力保護繼電器生產廠家)銷售熱線:021-57233089 QQ:1932551438
{以上內容僅供參考,上海上繼科技有限公司有最終解釋權}
更多繼電器精彩文章——DY-29D電壓繼電器技術數據及安裝尺寸
- 上一篇:智能無線測溫操控裝置生產廠家推薦
- 下一篇:開關柜智能無線測溫操控裝置廠家





