差動繼電器-上海上繼科技有限公司
發表時間:2019-07-31 14:27 瀏覽次數:1102 〖返回〗
上海上繼科技有限公司是一家專業從事電力系統繼電保護及智能電網電力自動化產品的研發、設計、生產、銷售和服務為一體的高科技公司。擁有資深繼電保護專家團隊和國內**的檢測儀器及校驗設備。同時還引用國內外先進技術,來進行技術創新。本公司的產品廣泛用于電力、工礦、鐵路、建筑等國家重大工程輸配變電系統上,產品遠銷東南亞及中東地區。產品通過國家繼電保護及自動化設備質量監督檢驗中心檢測,獲得ISO-9001:2000國際質量體系認證。“科技創新,誠信務實”是公司的經營理念,本公司以高超的技術支持和對用戶高度負責的售后服務贏得了輸配電成套企業的信賴,且樹立了良好的信譽。

BCH-1差動繼電器具有一個制動繞組,能對兩繞組及三繞組電力變壓器進行單相差動保護。
一、BCH-1差動繼電器的參數
1.額定定電流5A,額定頻率50Hz。
2 無制動時繼電器的起始動作安匝AWo=60±4。
3.當用于保護三繞組電力變壓器時,其動作電流可在3A至12A的范圍內進行整定(AWo=60) ,對于動作的最小整定值,其**平衡系數接近于2 。
當用于保護兩繞組電力變壓器時,其動作電流可以在1.55A至12A的范圍內進行整定。
4.由動作電流與制動電流的比值所決定的制動系數Kz可以在廣泛的范圍內變化,圖3的制動特性AWp=f(AWz)是其極限范圍,它與工作電流濟口制動電流間的相位角有關,但無論在任何角下都不應越出曲線的范圍。

5.可靠系數(當一次動作電流等于5IDz的繼電器正弦動作電流與當一次動作電流等于5IDZ的正弦動作電流的比值)不小于1.35。
6. 3倍動作電流時差動繼電器的動作時間不大于0.035s。
7.繼電器具有一個動合觸點,在電感性負荷的直流電路中, (其時間常數不大于5x10's) ,且電壓不大于220V,電流不大于2A時,觸點的斷開容量50W。
8.在正常工作狀態下當電流為5A且變流器的制動繞組平衡繞組在全部匝數投入的情況下繼電器的單相功率消耗不大于8.5VA。
9.變流器的工作、平衡和制動繞組可長期通過電流10A。
10.介質強度 繼電器的電路對外露非帶電金屬部分之間應能耐受2kV, 50Hz的交流電壓歷時1min而無擊穿或閃絡現象。
11.繼電器的繞組數據如表1所示。

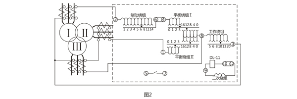
二、BCH-1差動繼電器的接線圖

三、BCH-1差動繼電器的開孔尺寸


DCD-5A差動繼電器, 用于兩繞組或三繞組電力變壓器的單相保護線路中做為主保護 。
一、DCD-5A差動繼電器的接線圖

二、DCD-5A差動繼電器的參數
1.額定值
額定電流5A,額定頻率50Hz。
無直流分量時,繼電器起始動作安匝AWo=60±4。
當用于保護三繞組變壓器時繼電器的動作電流可在3-12A的范圍內進行整定(AWo=50) ,對于動作電流的最小整定值,其**平衡系數接近于2。
當用于保護兩繞組變壓器時,動作電流可以在1.55 ~ 12A(AWo=60)這樣更細的范圍內調整。
2.制動系數
繼電器在工作繞組中的動作電流對制動繞組中的電流(當AWr=280時的比值)可以改變。
a.對于**整定動作電流為0.18以上 ;
b.對于3A的整定動作電流為0.63以下;
圖3為制動電流與工作電流間有不同的移相角時AWp=f(AWr)的關系曲線。 由圖3可以看出制動系數與工作電流和制動電流間移相角的關系不能超過這兩條特性曲線。

3.可靠系數
繼電器的可靠系數應不小于1.35 。
當差動繼電器動作時,其動作電流為Icp,執行元件的正弦動作電流為icp,然后轉動指針擰緊游絲,使得繼電器的動作電流為5Icp, 并測量執行元件相應的正弦動作電流Icp5 , 按下式算出可靠系數。

在相同的情況下,當差動繼電器的動作電流為2Icp時,上述比便不小于1.2。
3倍動作電流時,差動繼電器的動作時間不大于0.035s,,
4.功效消耗
在額定電流時,繼電器的單相功效消耗不應大于如下規定。
a.在正常情況下,當變流器的制動和平衡繞組的匝數全部接入時,不大于8.5VA。
b在區內故障時,變流器的制動,平衡和工作繞組的匝數全部接入時,不大于20VA。
在正常情況下,繼電器的工作繞組,制動繞組,平衡繞組能長期通過10A的電流。
5.觸點性能
繼電器觸點應能斷開電壓不超過250V及電流不超過2A,容量為50W的有感負荷(時間常數為5±0.75ms)的直流回路,觸點在此規定負荷的條件下,繼電器應可靠操作1000次。
6.機械壽命
繼電器的機械壽命為104次。
繼電器各導電電路連在一起對地(或絕緣外殼的外露非導電金屬部分)以及在電氣上無聯系的各導電電路之間應承受2KV (有效值) 50Hz的交流試驗電壓,歷時1min試驗而無絕緣擊穿或閃絡現象。
繼電器能耐受幅值5kV的沖擊電壓,此后無絕緣損壞現象。
繼電器的重量約5kg。
三、DCD-5A差動繼電器的開孔尺寸

上海上繼科技有限公司(專注電力保護繼電器生產廠家)銷售熱線:021-57233089 QQ:1932551438
{以上內容僅供參考,上海上繼科技有限公司有最終解釋權}
更多繼電器精彩文章——DY-28CE電壓繼電器安裝尺寸及參數





