BZS-11延時中間繼電器說明書及產品圖片-上海上繼科技有限公司
發表時間:2019-11-13 14:54 瀏覽次數:1118 〖返回〗
一、BZS-11延時中間繼電器說明書
BZS-11延時中間繼電器的結構和原理與交流接觸器基本相同,與接觸器的主要區別在于:接觸器的主觸頭可以通過大電流,而中間繼電器的觸頭只能通過小電流。所以,它只能用于控制電路中。 它一般是沒有主觸點的,因為過載能力比較小。所以它用的全部都是輔助觸頭,數量比較多。
二、BZS-11延時中間繼電器主要技術參數
額定電壓:AC 220V、110V;DC 220V、110V、48V、24V。
接點形式:8動合;6動合2動斷;4動合4動斷;2動合6動斷;8動斷。
動作值:直流繼電器動作電壓不大于70%額定電壓;交流繼電器動作電壓不大于85%額定電壓
返回值:繼電器返回電壓不小于5%額定電壓。
延時整定誤差:不大于整定值的2%。
功率消耗:直流不大于10W;交流不大于10VA。
觸點容量:在電壓不超過250V,電流不超過5A,時間常數為5±0.75ms的直流有感負荷電路中,產品輸出觸點的斷開容量為50W。輸出觸點在上述規定的負荷條件下,產品能可靠動作及返回5×104次。輸出觸點長期允許接通電流為5A。
介質強度:產品各導電端子連在一起,對外露的非帶電金屬部分或外殼之間,能承受2000V(有效值)50Hz的交流電壓歷時1分鐘試驗而 無絕緣擊穿或閃絡現象。
產品延時分類表

三、BZS-11延時中間繼電器內部接線圖及外引接線圖

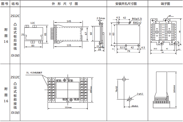
四、BZS-11延時中間繼電器外形及開孔尺寸

公司介紹:上海上繼科技有限公司是一家專業從事電力系統繼電保護及智能電網電力自動化產品的研發、設計、生產、銷售和服務為一體的高科技公司。擁有資深繼電保護專家團隊和國內**的檢測儀器及校驗設備。同時還引用國內外先進技術,來進行技術創新。本公司的產品廣泛用于電力、工礦、鐵路、建筑等國家重大工程輸配變電系統上,產品遠銷東南亞及中東地區。產品通過國家繼電保護及自動化設備質量監督檢驗中心檢測,獲得ISO9001國際質量體系認證。“科技創新,誠信務實”是公司的經營理念,本公司以高超的技術支持和對用戶高度負責的售后服務贏得了輸配電成套企業的信賴,且樹立了良好的信譽。
上海上繼科技有限公司(專注電力保護繼電器生產廠家)銷售熱線:021-57233089 QQ:1932551438
{以上內容僅供參考,上海上繼科技有限公司有最終解釋權}
更多繼電器精彩文章——JL8-31電流繼電器說明書及接線圖





