JX-4C閃光繼電器接線圖及應用范圍-上海上繼科技有限公司
發表時間:2019-11-14 13:34 瀏覽次數:1350 〖返回〗一、JX-4C閃光繼電器應用范圍
JX-4C閃光繼電器用于信號回路。電源接通后,可以使受控的燈光發出閃光信號。

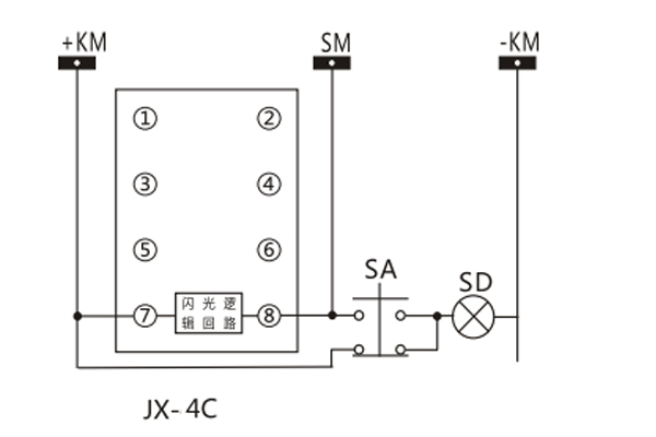
二、JX-4C閃光繼電器接線圖

三、JX-4C閃光繼電器技術參數
·額定電壓:直流220V、110V、48V、24V;交流220V, 50HZ. ·動作值:不大于60%額定電壓;最小動作電流8mA。
·閃光頻率: 1±0.1次/分鐘、60+5次/分鐘、120±10次/分鐘。
·負裁能力:**負裁電流2A。
·功率消耗:不大于1W。
·介質強度:帯電端子對外殼耐壓2000V。
四、JX-4C閃光繼電器型號

公司介紹:上海上繼科技有限公司是一家專業從事電力系統繼電保護及智能電網電力自動化產品的研發、設計、生產、銷售和服務為一體的高科技公司。擁有資深繼電保護專家團隊和國內**的檢測儀器及校驗設備。同時還引用國內外先進技術,來進行技術創新。本公司的產品廣泛用于電力、工礦、鐵路、建筑等國家重大工程輸配變電系統上,產品遠銷東南亞及中東地區。產品通過國家繼電保護及自動化設備質量監督檢驗中心檢測,獲得ISO9001國際質量體系認證。“科技創新,誠信務實”是公司的經營理念,本公司以高超的技術支持和對用戶高度負責的售后服務贏得了輸配電成套企業的信賴,且樹立了良好的信譽。
上海上繼科技有限公司(專注電力保護繼電器生產廠家)銷售熱線:021-57233089 QQ:1932551438
{以上內容僅供參考,上海上繼科技有限公司有最終解釋權}
更多繼電器精彩文章——BZS-18延時中間繼電器產品圖片及接線圖





