JY-A/4DK電壓繼電器-上海上繼科技有限公司
發表時間:2020-05-10 13:22 瀏覽次數:1109 〖返回〗一、JY-A/4DK電壓繼電器原理說明

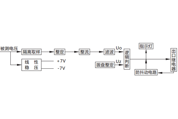
被測電壓經過隔離取樣后,得到與被測電壓成比例的取樣電壓Ui、Ui經撥盤整定,再進行整流濾波,得到直流Uo,邏輯回路將Uo 與門坎電壓Uz進行比較。若Uo<Uz,則出口繼電器不動作;若Uo>Uz,則出口繼電器動作。欠電壓在欠電壓狀態下動作指示燈發光 過電壓在過電壓狀態下動作指示燈發光。

二、JY-A/4DK電壓繼電器技術參數
電壓整定范圍:19V-130V或40V-260V,過電壓有80-440V。
功耗:**功耗不大于5W。
動作時間:欠電壓繼電器:0.5倍整定值的動作時間不大于20mS。 過電壓繼電器:1.2倍整定值的動作時間不大于25mS。 2倍整定值的動作時間不大于20mS。
返回時間:欠電壓繼電器返回時間不大于27mS;過電壓繼電器返回時間不大于27mS。
返回系數:欠電壓繼電器返回系數1.04~1.08,過電壓繼電器的返回系數0.93~0.97。
整定誤差:額定值在19V至**值范圍內,整定誤差不大于2%;在極限溫度下,19V以上任一整定值的誤差不大于3%。
觸點容量:繼電器輸出電路的觸點能斷開電壓不大于250V,時間常數為5±0.75mS的直流有感負荷電路為50W,電壓不大于 250V的交流電路(功率因數COSΦ為0.4±0.1)為250VA。繼電器觸點可長期接通5A。
電壽命:不低于106次。
機械壽命:不低于106次。
介質強度:繼電器各導電端子連在一起,對外露非電帶金屬部分或外殼之間能承受2000V(有效值),50Hz的交流電壓歷時1分 鐘試驗而無絕緣擊穿或飛弧現象。
絕緣電阻:繼電器各導電端子連在一起,對外露非帶電金屬部分或外殼之間,用開路電壓為500V的兆歐表測量其絕緣電阻不 小于300MΩ。 工作環境條件:溫度-10℃~+50℃,相對濕度不大于90%,海拔高度不大于2000M。
抗干擾性能:繼電器的抗干擾負荷DL478-92《靜態繼電保護及安全自動裝置通用技術條件》 。
三、JY-A/4DK電壓繼電器接線圖

公司介紹:上海上繼科技有限公司是一家專業從事電力系統繼電保護及智能電網電力自動化產品的研發、設計、生產、銷售和服務為一體的高科技公司。擁有資深繼電保護專家團隊和國內**的檢測儀器及校驗設備。同時還引用國內外先進技術,來進行技術創新。本公司的產品廣泛用于電力、工礦、鐵路、建筑等國家重大工程輸配變電系統上,產品遠銷東南亞及中東地區。產品通過國家繼電保護及自動化設備質量監督檢驗中心檢測,獲得ISO9001國際質量體系認證。“科技創新,誠信務實”是公司的經營理念,本公司以高超的技術支持和對用戶高度負責的售后服務贏得了輸配電成套企業的信賴,且樹立了良好的信譽。
公司主營:繼電器(時間繼電器,電壓繼電器,電流繼電器,中間繼電器,信號繼電器,閃光繼電器,沖擊繼電器,同步檢查繼電器,接地繼電器,差動繼電器,重合閘繼電器,絕緣監視繼電器,雙位置繼電器,模數化繼電器),微機保護裝置,電力儀表,智能操控裝置
上海上繼科技有限公司(專注電力保護繼電器生產廠家)銷售熱線:021-57233089 QQ:1932551438
{以上內容僅供參考,上海上繼科技有限公司有最終解釋權}
更多繼電器精彩文章——JGL-82/II過流繼電器說明書及生產廠家
- 上一篇:JY-A/3DK電壓繼電器
- 下一篇:JY-A/1DK/120電壓繼電器





