DY-32/60C電壓繼電器-上海上繼科技有限公司
發表時間:2020-05-11 22:34 瀏覽次數:1110 〖返回〗一、DY-32/60C電壓繼電器結構和原理
繼電器系電磁式,瞬時動作,磁系統有兩個線圈,線圈出頭接在底座端子上,用戶可以根據需要串并聯,因而可使繼電器整定范圍變化一倍。 2. 繼電器**的刻度值及額定值足線圈并聯時的(以V為單位)。轉動刻度盤上的指針、以改變游絲的反作用力矩,從而可以改變繼電器的動作值。 3. 繼電器的動作:對于過電壓繼電器,電壓升至整定值或大于整定值時,繼電器就動作,動合觸點閉合,動斷觸點斷開。當電壓降低到0.8倍整 定值時,繼電器就返回,動合觸點斷開,動斷觸點閉合,對于低電壓繼電器,當電壓降低到整定電壓時,繼電器就動作,動合觸點斷開,動斷觸點閉合。

二、DY-32/60C電壓繼電器技術參數
1.觸點的數量,見表1。
2.按整定值的范圍來分:每整定值的動作誤差不大于±6%,繼電器各種技術數據示于表2。
注:DY-32/60C、DY-34/60C規格為長期熱穩定(具有內附串聯電容)電壓繼電器。
3.繼電器刻度極限誤差:不大于6%。
4.動作值的變差:不大于6%。
5.對于DY-31、32、33、34電壓繼電器的返回系數不小于0.8;DY-35、36、37、38低電壓繼電器的返回系數不大于1.25。
6.動作時間
6.1 對于過電壓繼電器 在1.1倍動作值時,動作時間不大于0.12s;在2倍動作值動作時間不大于0.04s。
6.2 對于低電壓繼電器 當繼電器的工作電壓為0.5倍整定電壓時,動作時間不大于0.15s。
7. 過電壓能力:當線圈并聯時,在最小整定值處,將電壓由零均勻地上升到1.05~2.2倍整定電壓,在此范圍內,繼電器不應有使得動 合觸點不工作的振動。經此試驗后,繼電器應仍能滿足技術條件的要求。
8. 過電壓:繼電器當加1.75倍整定值或更高時繼電器的動合觸點應無抖動地閉合。
9. 當無外來的碰撞和振動時。過電壓繼電器的各整定(第一點除外)位置上的工作電壓為0.6倍整定值時,其動斷觸點應可靠地閉合電 路。
10. 低電壓繼電器在工作電壓為0.6倍整定電壓或更低時,其動斷觸點應無抖動的閉合。
11. 當無外來的碰撞和振動時,低電壓繼電器各整定位置上的工作電壓不低于1.5倍整定電壓時,其動合觸點應當可靠 地閉合電路。
12. 在動作電壓和返回電壓下;繼電器的可動系統不應當停滯在中間位置。
13. 當周圍空氣的相對濕度不大于85%,繼電器的電路對殼(外殼上的非導電金屬部分)的絕緣電阻,用500V兆歐表測量應當不小于 300MΩ。 14. 繼電器的導電部分對外殼(外殼上的非導電金屬部分)的絕緣,能耐受50Hz交流電壓2kV歷時1min的試驗。
15. 觸點斷開容量:當電壓不大于250V及電流不大于2A時,觸點的斷開功率,在具有電感負荷的直流電路(時間常數不大于5×10- 3s)中為50W,在交流電路中為250VA。
16. 功率消耗:在最小整定值處,繼電器的線圈所消耗的功率不超過20VA。
17. 當周圍介質溫度為+40℃時,繼電器在表2和表3所示的長期允許電流,電壓下長期工作時,不會有絕緣和其他電氣元件的損壞,而 線圈的溫升不大于65℃。
18. 壽命:繼電器電壽命500次,機械壽命為5000次。

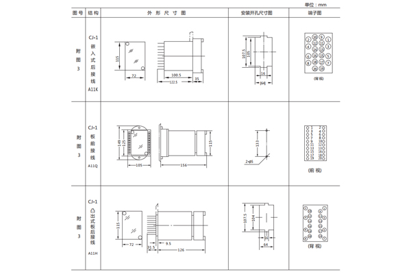
三、DY-32/60C電壓繼電器開孔尺寸

公司介紹:上海上繼科技有限公司是一家專業從事電力系統繼電保護及智能電網電力自動化產品的研發、設計、生產、銷售和服務為一體的高科技公司。擁有資深繼電保護專家團隊和國內**的檢測儀器及校驗設備。同時還引用國內外先進技術,來進行技術創新。本公司的產品廣泛用于電力、工礦、鐵路、建筑等國家重大工程輸配變電系統上,產品遠銷東南亞及中東地區。產品通過國家繼電保護及自動化設備質量監督檢驗中心檢測,獲得ISO9001國際質量體系認證。“科技創新,誠信務實”是公司的經營理念,本公司以高超的技術支持和對用戶高度負責的售后服務贏得了輸配電成套企業的信賴,且樹立了良好的信譽。
公司主營:繼電器(時間繼電器,電壓繼電器,電流繼電器,中間繼電器,信號繼電器,閃光繼電器,沖擊繼電器,同步檢查繼電器,接地繼電器,差動繼電器,重合閘繼電器,絕緣監視繼電器,雙位置繼電器,模數化繼電器),微機保護裝置,電力儀表,智能操控裝置
上海上繼科技有限公司(專注電力保護繼電器生產廠家)銷售熱線:021-57233089 QQ:1932551438
{以上內容僅供參考,上海上繼科技有限公司有最終解釋權}
更多繼電器精彩文章——JGL-13/II過流繼電器說明書及生產廠家
- 上一篇:DY-38電壓繼電器
- 下一篇:DY-34/60C電壓繼電器





