JX-G/1信號繼電器安裝尺寸及技術數據-上海上繼科技有限公司
發表時間:2020-05-16 16:09 瀏覽次數:1373 〖返回〗
注:JX-G/1信號繼電器與JX-A/1信號繼電器功能相似
一、JX-G/1信號繼電器的用途
JX-G/1靜態信號繼電器用于直流操作的電力系統電流保護和自動控制裝置中,作為故障動作指示信號。
二、JX-G/1信號繼電器的特點
1.動作速度相當快,能很好地與采用真空開關(動作迅速)的跳合閘回路配合,準確反應動作信號。
2.可滿足當前建立無人值班室的要求,該繼電器既能遠方電動復歸又能現場手動復歸。
3.帶有多組動合觸點,同時可滿足現場信號指示及遙信等要求。
4.采用進口磁保持小中間作為出口,繼電器動作后即使直流消失也能保持動作狀態。
5.具有寬電流動作范圍,從0.02A至2A繼電器均能準確動作,且動作后線圈內阻極低,用戶在誰家中可不必考慮。同時有電壓動作型。
6.具有延時自動復歸功能規格的信號繼電器,在發出5,秒~10秒(可調)信號后,自動復歸,省去了工作人員的操作。
7.具有多種外殼形式及短暫接線,可替代DX-30系列、DX-8、8G系列、DXM-2A、DX-11、11A系列信號繼電器。
8.防振性極強,并可任意安裝。
9.動作指示信號鮮明,壽命長。
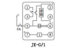
三、JX-G/1信號繼電器的接線圖

四、JX-G/1信號繼電器的作用
1) 擴大控制范圍。例如,多觸點繼電器控制信號達到某一定值時,可以按觸點組的不同形式,同時換接、開斷、接通多路電路。
2) 放大。例如,靈敏型繼電器、中間繼電器等,用一個很微小的控制量,可以控制很大功率的電路。
3) 綜合信號。例如,當多個控制信號按規定的形式輸入多繞組繼電器時,經過比較綜合,達到預定的控制效果。
4) 自動、遙控、監測。例如,自動裝置上的繼電器與其他電器一起,可以組成程序控制線路,從而實現自動化運行。
五、JX-G/1信號繼電器的安裝尺寸
JX-G采用CJ-1殼體,如圖所示

公司介紹:上海上繼科技有限公司是一家專業從事電力系統繼電保護及智能電網電力自動化產品的研發、設計、生產、銷售和服務為一體的高科技公司。擁有資深繼電保護專家團隊和國內**的檢測儀器及校驗設備。同時還引用國內外先進技術,來進行技術創新。本公司的產品廣泛用于電力、工礦、鐵路、建筑等國家重大工程輸配變電系統上,產品遠銷東南亞及中東地區。產品通過國家繼電保護及自動化設備質量監督檢驗中心檢測,獲得ISO-9001:2000國際質量體系認證。“科技創新,誠信務實”是公司的經營理念,本公司以高超的技術支持和對用戶高度負責的售后服務贏得了輸配電成套企業的信賴,且樹立了良好的信譽。
上海上繼科技有限公司(專注電力保護繼電器生產廠家)銷售熱線:021-57233089 QQ:1932551438
{以上內容僅供參考,上海上繼科技有限公司有最終解釋權}
更多繼電器精彩文章——JX-E/3信號繼電器特點及開孔尺寸





