DS-24時間繼電器主要技術數據及應用范圍-上海上繼科技有限公司
發表時間:2019-07-13 16:18 瀏覽次數:1293 〖返回〗
一、DS-24時間繼電器接線圖

二、DS-24時間繼電器技術數據

·動作值: DS-21~24不大于70%額定電壓; DS-21C~24C不大于75%額定電壓; DS-25~28不大于85%額定電壓。
·返回值:不小于5%額定電壓。
·觸點容量:在電壓不超過250V,電流不超過5A,時間常數為5±0.75ms的直流有感負荷電路中,產品輸出觸點的斷開容量為50W。輸出觸點在上述規定的負荷條件下,產品能可靠動作及返回5x104次。輸出觸點長期允許接通電流為5A。
·介質強度:產品各導電端子連在一起,對外露的非帶電金屬部分或外殼之間,能承受2000V(有效值)50Hz的交流電壓歷時1分鐘試驗而無絕緣擊穿或閃絡現象。
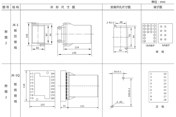
三、DS-24時間繼電器外形及開孔尺寸

四、DS-24時間繼電器簡介
時間繼電器(time relay)是一種利用電磁原理或機械原理實現延時控制的自動開關裝置。當加入(或去掉)輸入的動作信號后,其輸出電路需經過規定的準確時間才產生跳躍式變化(或觸頭動作)的一種繼電器。是一種使用在較低的電壓或較小電流的電路上,用來接通或切斷較高電壓、較大電流的電路的電氣元件。同時,時間繼電器也是一種利用電磁原理或機械原理實現延時控制的控制電器。它的種類很多,有空氣阻尼型、電動型和電子型等。
五、DS-24時間繼電器外附電阻對照表

六、DS-24時間繼電器應用范圍
該系列時間繼電器用于各種保護和自動控制線路中,使被控制元件的動作得到可調延時。繼電器具有一付瞬時轉換觸點和一付延時動合主觸點,對于DS-114、115、 116、 124、 125、 126型繼電器多-付延時滑動主觸點。型號末端帶"C"型屬長期工作,其線圈能長期耐受110%額定電壓(電壓應加在端子①、⑦上) ,其它型的繼電器線圈耐受110%額定電壓歷時2min。
上海上繼科技有限公司(專注時間繼電器生產廠家)銷售熱線:021-57233089 QQ:1932551438





