JL-43電流繼電器安裝尺寸及參數-上海上繼科技有限公司
發表時間:2019-08-12 10:47 瀏覽次數:965 〖返回〗
一、JL-43電流繼電器的介紹
電流繼電器是一種電子控制器件,它具有控制系統(又稱輸入回路)和被控制系統(又稱輸出回路),通常應用于自動控制電路中,它實際上是用較小的電流去控制較大電流的一種“自動開關”。故在電路中起著自動調節、安全保護、轉換電路等作用。
二、JL-43電流繼電器的參數
1、功率消耗
a、交流回路功耗:小于0.5VA(交流額定值5A時)
b、直流回路功耗:見表2

2、整定誤差
a、在整定值范圍內,整定平均誤差的絕對值不大于3% ;平均誤差=( 5次測量平均信一整定值)整定值x100%。
b、在基準條件下,同一整定值上測量的5次動作值的**信和最小值應不大于4%。
c、在一10°C~50°C的溫度下,任一整定點誤差的絕對信應不大于整定值的5%。
d、在輔助電壓80~ 110%變化范圍內, 任一整定值整定誤差的絕對值應不大于4%。
3、動作時間
1. 1倍整定信的動作時間不大于30 m s ; 2信整定值的動作時間不大于20 m s。
4、返回系數: 0.90~0.95。
5、返回時間:不大于27ms。
三、JL-43電流繼電器的接線圖

四、JL-43電流繼電器的使用維護
1.繼電器使用前,需取去外殼,拔出機器,檢查有無在運輸中產生的損壞,如動片碰到磁板,游絲各圈相碰,動牌軸上的摩擦等,為此,將繼電器的指針整定在第一整定點上,用手將可動系統往磁板方向轉動,然后放開,可動系統應當轉回到原來位置直到止檔,然后進行必要的調整和整定。
2.繼電器在重新調整時,必須保證:
2.1可動系統的軸向活動量在0.15~0.3mm之間。
2.2動片與磁極間的氣隙,應當保證繼電器在規定的任何工作情況下,動片和磁板不得相碰。
2.3具有動合觸點和動斷觸點的繼電器,橋形觸點不得同時接觸一動合靜觸點和一動斷靜觸點。
2.4當指針由第一刻度值旋向最終刻度值時,游絲各圈不相碰。
2.5 繼電器動作時,橋形觸點應當在靜觸點的中心線上滑動(公差±lmm),動、靜觸點總氣隙不小于2mm。
2.6 靜觸點和限制片之間的距離應不大于0.3mm。
2.7 在調整繼電器的動作值時,最小整定值的調整主要是改變游絲反作用力的大小,**整定值的調整,主要是改變動片和磁板間的氣隙等。
2.8 不宜潤滑繼電器軸和軸承。
2.9 不允許用砂紙或其它粗造材料清潔觸點,宜用鋒利的刀刃或清潔的細磨石清潔觸點,然后用清潔的、柔軟的布片擦干凈,避免用手指接觸觸點。
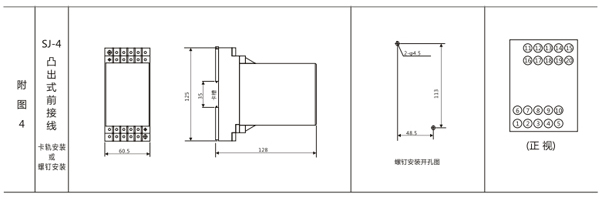
五、JL-43電流繼電器的安裝尺寸

公司介紹:上海上繼科技有限公司是一家專業從事電力系統繼電保護及智能電網電力自動化產品的研發、設計、生產、銷售和服務為一體的高科技公司。擁有資深繼電保護專家團隊和國內**的檢測儀器及校驗設備。同時還引用國內外先進技術,來進行技術創新。本公司的產品廣泛用于電力、工礦、鐵路、建筑等國家重大工程輸配變電系統上,產品遠銷東南亞及中東地區。產品通過國家繼電保護及自動化設備質量監督檢驗中心檢測,獲得ISO-9001:2000國際質量體系認證?!翱萍紕撔?,誠信務實”是公司的經營理念,本公司以高超的技術支持和對用戶高度負責的售后服務贏得了輸配電成套企業的信賴,且樹立了良好的信譽。
上海上繼科技有限公司(專注電力保護繼電器生產廠家)銷售熱線:021-57233089 QQ:1932551438
{以上內容僅供參考,上海上繼科技有限公司有最終解釋權}
更多繼電器精彩文章——JL8-32電流繼電器技術參數及接線圖





