DZ-32B中間繼電器接線圖及開孔尺寸-上海上繼科技有限公司
發表時間:2019-08-26 16:26 瀏覽次數:863 〖返回〗
一、DZ-32B中間繼電器的概述
用于繼電保護與自動控制系統中,以增加觸點的數量及容量。 它用于在控制電路中傳遞中間信號。中間繼電器的結構和原理與交流接觸器基本相同,與接觸器的主要區別在于:接觸器的主觸頭可以通過大電流,而中間繼電器的觸頭只能通過小電流。所以,它只能用于控制電路中。 它一般是沒有主觸點的,因為過載能力比較小。所以它用的全部都是輔助觸頭,數量比較多。新國標對中間繼電器的定義是K,老國標是KA。一般是直流電源供電。少數使用交流供電。
二、DZ-32B中間繼電器的接線圖

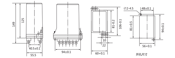
三、DZ-32B中間繼電器的開孔尺寸

四、DZ-32B中間繼電器的特點
⒈靜態中間繼電器采用線圈電壓較低的多個優質密封小型繼電器組合而成,防潮、防塵、不斷線,可靠性高,克服了電磁型中間繼電器導線過細易斷線的缺點。
⒉功耗小,溫升低,不需外附大功率電阻,可任意安裝及接線方便。
⒊繼電器觸點容量大,工作壽命長。
⒋繼電器動作后有發光管指示,便于現場觀察。
⒌延時只需用面板上的撥碼開關整定,延時精度高,延時范圍可在0.02-5.00S任意整定。
五、DZ-32B中間繼電器的觸點性能
觸點斷開容量,交流:10A,250V AC;直流10A,28V DC。
觸點**切換功率,交流:1800VA;直流:360W。
觸點長期允許閉合電流:裝置輸出觸點長期允許閉合電流為5A。
觸點電氣壽命:輸出觸點在上述規定的負荷條件下,產品能可靠動作及返回50000次。
公司介紹:上海上繼科技有限公司是一家專業從事電力系統繼電保護及智能電網電力自動化產品的研發、設計、生產、銷售和服務為一體的高科技公司。擁有資深繼電保護專家團隊和國內**的檢測儀器及校驗設備。同時還引用國內外先進技術,來進行技術創新。本公司的產品廣泛用于電力、工礦、鐵路、建筑等國家重大工程輸配變電系統上,產品遠銷東南亞及中東地區。產品通過國家繼電保護及自動化設備質量監督檢驗中心檢測,獲得ISO-9001:2000國際質量體系認證。“科技創新,誠信務實”是公司的經營理念,本公司以高超的技術支持和對用戶高度負責的售后服務贏得了輸配電成套企業的信賴,且樹立了良好的信譽
上海上繼科技有限公司(專注電力保護繼電器生產廠家)銷售熱線:021-57233089 QQ:1932551438
{以上內容僅供參考,上海上繼科技有限公司有最終解釋權}
更多繼電器精彩文章——JZE-22中間繼電器特點及開孔尺寸





