DX-32A信號繼電器用途
DX-32A信號繼電器包括DX-31B、DX-32A、DX-32B,適用于直流操作的保護線路中,作為動作指示器。DX-31BJ、DX-32AJ、DX-32BJ適用于交流操作的保護線路中,作為動作指示器。
DX-32A信號繼電器結構和原理
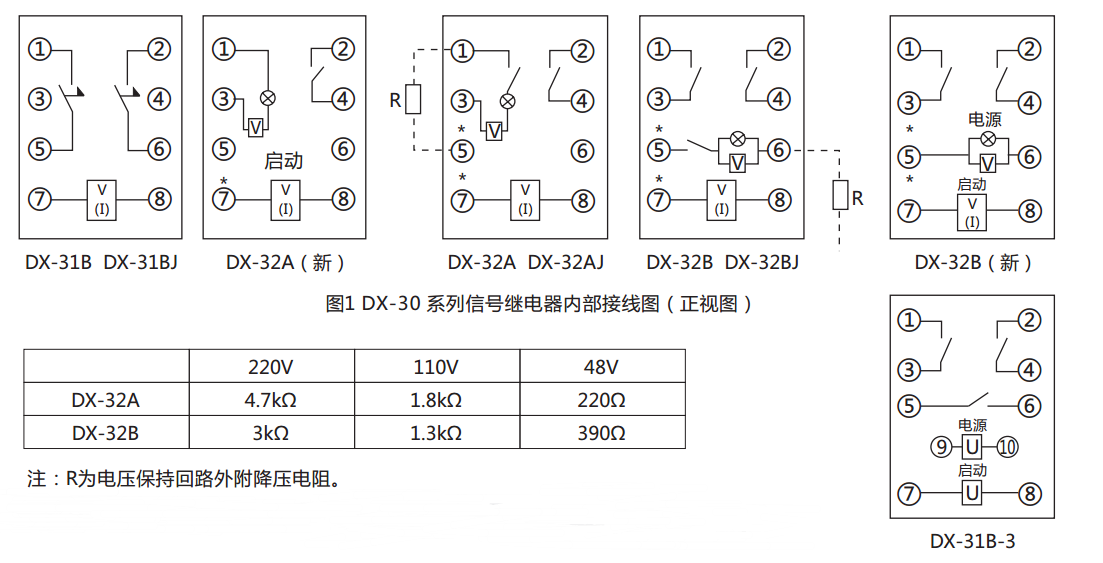
本繼電器為拍合型電磁式信號繼電器,在一個導磁體上有吸引線圈(電流或電壓)在導磁體上裝一個活動的動板,動板上的絕緣板頂動兩組動合觸點。
DX-31B型在動板上并裝有限制片,是觸點機械閉鎖的擒縱機械,在銘牌上裝有信號指示器。DX-32A型多一個保持線圈作為電壓閉鎖機械在銘牌上裝有信號燈。
DX-32B型多一組動合觸點,保持線圈與信號燈是并聯的,在信號燈燒毀時保持線圈仍可正常工作。
DX-31B型信號繼電器的吸引線圈通電時產生電磁吸力,將動板吸合。此時觸點處于工作狀態(動合觸點閉合)同時限制片將信號 牌縱放而顯示動作,當吸引線圈斷時,由于限制片的作用,觸點與指示器仍處于工作狀態。當按動指示器后,動板回到起始位置,限制片將指示器擒住,觸點回到原位。
DX-32A,DX-32B型信號繼電器的吸引線圈通電時,產生電磁吸力,將動板吸合,此時觸點處于工作狀態,其中一組觸點將保持線圈通電,指示燈亮,顯示動作,當吸引線圈斷電時,繼電器受保持線圈的電磁吸力,仍保持在工作狀態,當保持線圈斷電時,繼電器則返回到起始位置。 繼電器有嵌入和突出兩種安裝方式,請在訂貨時注明。
DX-32A信號繼電器技術數據
1、 額定值 繼電器工作繞組額定值為220、110、48、24、12V或0.01、0.015、0.02、0.025、0.04、0.05、0.075、0.08、0.1、0.15、 0.2、0.25、0.5、0.75、1、2、4A。 DX-32A/B保持回路額定值為220、110、48V。
2、動作值 動作電壓不大于70%額定電壓;動作電流不大于90%額定電流。
3、保持值:不大于80%額定保持電壓。
4、 返回值:不小于5%額定值。
5、功率消耗:電流繞組不大于0.3W,電壓繞組不大于3W。 a.DX-32A電壓保持回路220V不大于10W,110V不大于5W,48V不大于3W。 b.DX-32B電壓保持回路220V不大于20W,110V不大于10W,48V不大于4W。
6、線圈電阻值見表1。
7、觸點容量 A.在電壓不超過250V(時間常數為5±0.75ms),電流不大于0.5A的直流電路中,能斷開30W。 B.在電壓不超過250V(cosφ=0.4±0.1),電流不大于1V的交流電路中,能斷開100VA。
8、介質強度 繼電器各導電電路連在一起對外露的非帶金屬部分及外殼之間,工作繞組對不接保持繞組的觸點電路之間,應能承受2kV(有效值),50Hz的交流試驗電壓歷時1min試驗,而無絕緣擊穿或閃絡現象。
9、壽命:電壽命1000次,機械壽命5000次。
10、 熱穩定性:電壓長期通以110%額定電壓,電流繞組長期通以額定電流,周圍環境溫度為40℃時,繞組溫升不大于65℃。
11、 重量:0.40kg。
12、內部接線見圖1。

DX-32A信號繼電器內部接線圖(正視圖)

DX-32A信號繼電器外形結構及安裝開孔尺寸



信號、閃光繼電器系列
打印當前頁
發郵件給我們: 1932551438@qq.com
手機: 18930817953




